
GENERAL FABRICATION
When it comes to general fabrication, Bedford Harbour Engineering is a custom jobshop capable of producing almost anything across a multitude of industries and applications.
We have the trade skills, equipment and technology to deliver purpose-built works using:
- Stainless steel
- Carbon steels
- Zinc & Galvanised coated steels
- Aluminium
Our workflow allows us to progress your job through our different Workshop Stations to achieve the quickest possible turnaround. Depending on the exact specifications of your project, those processes can include:
- Sheet Metal Fabrication & Bending
- CNC Plasma Cutting
- Welding (TIG & MIG)
- Hydraulics
- Assembly work
We often combine heavy and light fabrication processes to complete your job to precise specifications, which can be enhanced with our 3D CAD and Modeling expertise.
Projects range from sophisticated fabrication for artistic works, architectural facades and fittings, vessels, reinforcements, materials handling equipment, comb trailers, etc.
We also complete chaser and field bin repairs and modifications, header front repairs and a range of other agricultural repairs.
To see some of our latest work scroll down.
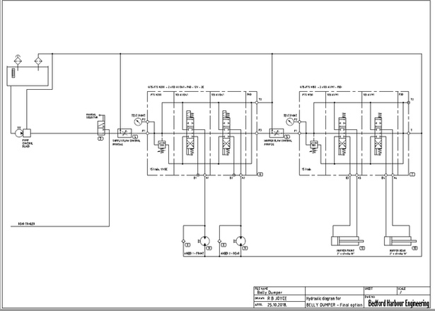
Belly Dumper Conversion
Scope of Works
Convert belly dumper into twin compartment seed, super bin with all functions running from the hydraulic
- 2 x 10" Augers with wireless control stop/start. Rate adjustment via flow control on motor or with manual choke.
- Twin dump gates for use at harvest.
- Install landing legs
- Modify roof and install roll tarp
- Install internal and external ladders
Motherbin Renovation
Scope of Works
Renovate with modern functionality
- Remove rear-facing auger and install front-facing auger and new choke.
- Add steerable axle and new drawbar
Load Cell Conversions
Conversion from standard single and tandem axle implements including Trufab, Coolamon, Marshal Multispreaders, Bredal, and many other brands. Libra Cart Wireless indicator and load cells from our partners at Hawk Engineering.

































